مقدمهای بر درایو Gefran ADL100 و کاربرد آن در آسانسور
درایو Gefran ADL100، محصولی از کشور ایتالیا، یکی از پرکاربردترین اینورترها در صنعت است که به طور خاص برای کنترل موتورهای القایی آسنکرون طراحی شده است. این راهنما با هدف سادهسازی فرآیند استفاده از این درایو قدرتمند، به ویژه در تابلوهای آسانسور با موتورهای القایی، تهیه شده است. هدف ما این است که مطالب و پارامترها را با کمترین ابهام و بیشترین دقت ارائه دهیم.
توجه بسیار مهم: با توجه به اینکه ایمنی در صنعت آسانسور از اهمیت فوقالعادهای برخوردار است، اکیداً توصیه میشود که بهکارگیری درایو Gefran ADL100 یا هر درایو دیگری در ساخت تابلوهای آسانسور تجاری، حتماً با مطالعه کامل و بررسی دقیق منوالهای اصلی سازنده درایو انجام شود. این راهنما به عنوان مکملی برای درک بهتر عملکردهای درایو ارائه شده و جایگزین دستورالعملهای رسمی سازنده نیست.
الکترومارکت، به عنوان مرجع تخصصی تامین تجهیزات اتوماسیون صنعتی، آماده ارائه مشاوره و پشتیبانی در زمینه انتخاب و نصب درایوهای صنعتی، از جمله Gefran ADL100، به شما عزیزان است.
مقایسه کلی درایوهای Gefran ADL100، ADL200 و ADL300
درایوهای Gefran ADL100، ADL200 و ADL300 از سری SIEIDrive برای کاربردهای آسانسور طراحی شدهاند و هر یک ویژگیهای خاص خود را برای پاسخگویی به نیازهای مختلف ارائه میدهند. این درایوها، ساخت ایتالیا، برای کنترل دقیق، ایمنی و کارایی در سیستمهای آسانسور با موتورهای آسنکرون و سنکرون (گیرلس) بهینه شدهاند. جدول زیر مقایسهای جامع از این سه مدل ارائه میدهد تا انتخاب مناسب برای پروژه شما آسانتر شود.
|
ویژگی |
ADL100 |
ADL200 |
ADL300 |
|---|---|---|---|
|
نوع موتور پشتیبانیشده |
فقط آسنکرون |
آسنکرون و سنکرون (PM گیرلس) |
آسنکرون و سنکرون (PM گیرلس) |
|
محدوده توان (kW) |
4 تا 45 |
4 تا 75 (سهفاز)؛ ADL130 تکفاز تا 2.2 |
4 تا 75 (سهفاز) |
|
کنترل |
Open Loop (V/F) |
Open Loop (V/F) و Closed Loop (Vector) |
Open Loop (V/F) و Closed Loop (Vector) |
|
پشتیبانی از انکودر |
خیر |
بله (اختیاری با EXP-ENC card) |
بله (استاندارد برای گیرلس) |
|
ولتاژ ورودی |
3 فاز 230-480V AC |
3 فاز 230-480V AC؛ ADL130 تکفاز 230V |
3 فاز 230-480V AC |
|
ایمنی |
استاندارد EN 81-20 |
استاندارد EN 81-20 |
EN 81-20، SIL 3 (Safe Torque Off) |
|
کاربرد اصلی |
آسانسورهای ساده با موتور آسنکرون |
آسانسورهای استاندارد و پیشرفته |
آسانسورهای پیشرفته با دقت بالا و گیرلس |
|
ارتباطات |
Modbus RTU، RS232 |
Modbus RTU، CANopen، RS232/RS485 |
Modbus RTU، CANopen، RS485، Profibus (اختیاری) |
|
ابعاد (اندازه 1) |
159.2 × 331.1 × 158.7 mm |
159.2 × 331.1 × 158.7 mm |
159.2 × 331.1 × 158.7 mm |
|
وزن (اندازه 1) |
5.8 kg |
5.8 kg |
5.8 kg |
|
ویژگیهای خاص |
ساده، اقتصادی |
انعطافپذیر برای هر دو نوع موتور |
پیشرفته با STO، مناسب برای گیرلس و ایمنی بالا |
|
نرمافزار تنظیم |
GF_eXpress |
GF_eXpress |
GF_eXpress |
|
کاربردهای پیشنهادی |
آسانسورهای مسکونی کمهزینه |
آسانسورهای تجاری/مسکونی متوسط |
آسانسورهای تجاری بلندمرتبه، گیرلس |
توضیحات کلیدی:
-
ADL100: اقتصادیترین مدل، مناسب برای آسانسورهای ساده با موتور آسنکرون (مانند آسانسورهای مسکونی 4-6 طبقه). فاقد پشتیبانی انکودر و Closed Loop، بنابراین برای کاربردهای کمدقت مناسب است.
-
ADL200: متعادلترین گزینه، با پشتیبانی از هر دو نوع موتور و انعطافپذیری در Open/Closed Loop. برای آسانسورهای متوسط (تا 10 طبقه) و retrofitting ایدهآل است.
-
ADL300: پیشرفتهترین مدل با پشتیبانی SIL 3 (STO) و بهینه برای موتورهای گیرلس در آسانسورهای بلندمرتبه یا با نیاز به دقت بالا (مانند بیمارستانها، برجها). پشتیبانی از پروتکلهای ارتباطی پیشرفتهتر.
توصیه الکترومارکت: برای انتخاب دقیق، به توان موتور، نوع آسانسور (اتاقدار یا roomless)، و نیازهای ایمنی پروژه توجه کنید. برای مشاوره، با کارشناسان الکترومارکت تماس بگیرید.
پیشنهاد ویژه: اگر به دنبال اطلاعات تکمیلی درباره درایوهای خانواده Gefran هستید، حتماً مقاله راهنمای جامع درایو Gefran ADL200 و راهنمای جامع درایو Gefran ADL300 را مطالعه کنید.
ابعاد درایو Gefran ADL100
درایو Gefran ADL100 در اندازههای مختلف عرضه میشود تا با نیازهای فضایی آسانسورهای roomless یا استاندارد سازگار باشد. جدول زیر ابعاد و وزن را نشان میدهد:
| اندازه | عرض (mm) | ارتفاع (mm) | عمق (mm) | وزن (kg) |
|---|---|---|---|---|
| اندازه 1 (1040-1055) | 159.2 | 331.1 | 158.7 | 5.8 |
| اندازه 2 (2075-2110) | 159.2 | 382.1 | 158.6 | 7.8 |
| اندازه 3 (3150-3220) | 227.8 | 387 | 178 | 10.5 |
نکته: برای نصب، حداقل فضای خالی 100 میلیمتر در بالا و پایین برای تهویه در نظر بگیرید.
مراحل نصب درایو Gefran ADL100
برای نصب ایمن و کارآمد درایو Gefran ADL100، مراحل زیر را دنبال کنید. این درایو برای کاربردهای آسانسور طراحی شده و باید در محیطهای صنعتی با رعایت استانداردهای ایمنی (مانند IP20) نصب شود.
الزامات محیطی
- دما: 0 تا 40 درجه سانتیگراد (تا 50 درجه با کاهش توان).
- رطوبت: حداکثر 95% بدون چگالش.
- ارتفاع: تا 2000 متر (بدون کاهش توان تا 1000 متر).
- تهویه: حداقل فاصله 10 سانتیمتر از طرفین برای جریان هوا. از فن داخلی برای خنککاری استفاده شود.
مراحل نصب مکانیکی
- انتخاب مکان: درایو را در کابینت اتاقدار یا بدون اتاق (roomless) نصب کنید. از قرارگیری در معرض گردوغبار، رطوبت یا ارتعاشات زیاد خودداری کنید.
- سوراخکاری: بر اساس ابعاد (بخش بعدی را ببینید)، سوراخهای نصب را ایجاد کنید. از پیچهای M5 یا M6 استفاده کنید.
- نصب فیزیکی: درایو را با براکتهای ارائهشده ثابت کنید. حداقل فاصله از دیوار: 50 میلیمتر برای تهویه.
- اتصال لوازم جانبی: اگر لازم، چوک ورودی، فیلتر EMC یا مقاومت ترمز را نصب کنید.
مراحل نصب الکتریکی
- قطع برق: مطمئن شوید منبع تغذیه قطع است.
- اتصال سیمها: به بخشهای سیمکشی قدرت و کنترل مراجعه کنید.
- بررسی اتصالات: پس از سیمکشی، اتصالات را چک کنید تا از عدم اتصال کوتاه اطمینان حاصل شود.
- راهاندازی اولیه: کیپد را وصل کنید و Wizard Startup (منوی 3) را اجرا کنید.
نکته ایمنی: همیشه از تجهیزات حفاظتی استفاده کنید و به استانداردهای EN 81-20 برای آسانسورها پایبند باشید.
مدار کنترلی و قدرت Gefran ADL100
درایو Gefran ADL100 به طور انحصاری برای کار با موتورهای القایی آسنکرون طراحی شده است و انعطافپذیری بالایی در کنترل حرکت ارائه میدهد. این درایو قابلیت کنترل حرکت را به دو صورت حلقه باز (Open Loop) و حلقه بسته (Closed Loop) فراهم میکند. انتخاب بین این دو حالت بستگی به دقت مورد نیاز و نوع کاربرد شما دارد.
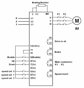
توضیحات سیمکشی و ترمینال قدرت درایو Gefran ADL100
سیمکشی صحیح برای عملکرد ایمن ضروری است. درایو از منبع سهفاز 230-480V AC پشتیبانی میکند.
ترمینالهای قدرت
- ورودی اصلی (Mains Input): L1, L2, L3 – اتصال به منبع سهفاز.
- خروجی موتور (Motor Output): U, V, W – اتصال به موتور آسنکرون.
- ترمینال ترمز (Brake Resistor): BR, C – برای مقاومت ترمز خارجی.
- زمین (Ground): PE – برای حفاظت.

نکات سیمکشی:
- از کابلهای شیلددار برای جلوگیری از نویز استفاده کنید.
- اندازه کابل: بر اساس توان (مثلاً 4kW: 2.5 mm²).
- اتصال UPS برای حالت اضطراری: از EMS module برای تکفاز 230V.
ترمینالهای کنترل درایو Gefran ADL100
ترمینالهای کنترل برای ورودی/خروجی دیجیتال و آنالوگ استفاده میشوند.
لیست ترمینالها
- ورودیهای دیجیتال: DI1 (Enable), DI2 (Up/Forward), DI3 (Down/Reverse), DI4-DI6 (انتخاب سرعت).
- خروجیهای دیجیتال: DO1 (No Fault), DO2 (Brake Control), DO3 (Run Control).
- ارتباطات: RS232 برای Modbus RTU، اتصال کیپد.
نکته: ورودیها PNP/NPN قابل برنامهریزی هستند. برای آسانسور، ورودیهای سرعت را به کنترلر تابلو متصل کنید.

آشنایی با کی پد مخصوص Gefran ADL100
یکی از ویژگیهای کاربرپسند درایو Gefran ADL100، کی پد مخصوص آن است که با یک کابل رابط به درایو متصل میشود. این کی پد که به نام KEYPAD REMOTE نیز شناخته میشود، امکان ویرایش و مدیریت پارامترها را با سادگی بینظیری فراهم میکند.
این کی پد شامل کلیدهای کاربردی زیر است:
- ESC: برای بازگشت به منوی قبلی یا لغو عملیات.
- SAVE: برای ذخیره تغییرات اعمال شده در پارامترها.
- FIND: برای جستجوی سریع پارامترها.
- RST: برای ریست کردن درایو یا خطاها.
- CUST: برای دسترسی به تنظیمات سفارشی (Custom).
- DISP: برای تغییر نحوه نمایش اطلاعات.
- E (Enter): برای ورود به منوها یا تأیید پارامترها.
- چهار کلید جهت (بالا، پایین، چپ، راست): برای جابجایی بین پارامترها و منوها.
علاوه بر این کلیدها، یک صفحه نمایش LCD نیز بر روی کی پد تعبیه شده که به راحتی امکان پیدا کردن و ویرایش پارامترهای درایو را به شما میدهد. این ویژگی به مهندسان و تکنسینها کمک میکند تا به سرعت و بدون نیاز به ابزارهای جانبی پیچیده، تنظیمات لازم را اعمال کنند. برای کسب اطلاعات بیشتر در مورد نحوه کالیبراسیون و تنظیمات اولیه درایوهای صنعتی، به مقالات آموزشی الکترومارکت مراجعه فرمایید.
استفاده: با کابل به درایو وصل کنید. برای ریست، RST را فشار دهید.
منوهای اصلی پارامترها در Gefran ADL100
پارامترهای درایو Gefran ADL100 در چندین منوی اصلی دستهبندی شدهاند تا دسترسی و مدیریت آنها آسانتر شود. جدول زیر، منوهای اصلی و توضیحات مربوط به هر یک را نشان میدهد:
منوی Lift (منوی 5) به تنهایی به 9 زیرگروه تقسیم شده است که امکان ویرایش سرعت، شتاب، ترمز و سایر پارامترهای مرتبط با عملکرد آسانسور را فراهم میکند. این زیرگروهها عبارتند از:
منوی 1: MONITOR
منوی MONITOR (منوی 1) حاوی پارامترهایی است که مقادیر کاری یا متغیرهای لحظهای درایو را به شما نشان میدهد. برای دسترسی به این منو، کافیست کلید E روی کی پد را فشار دهید. در خط اول صفحه نمایش، عبارت “MONITOR” ظاهر میشود. با فشردن مجدد کلید E، وارد منوی MONITOR میشوید و میتوانید مقادیر مورد نظر را با توضیحات مربوطه مشاهده کنید.
جدول زیر، چند پارامتر مهم از گروه MONITOR را نشان میدهد:
منوی 4: Drive Config
منوی Drive Config (منوی 4) شامل پارامترهای بسیار حیاتی است که تأثیر مستقیمی بر عملکرد درایو دارند. در این بخش میتوانید نوع عملکرد درایو (مانند حلقه باز، حلقه بسته، V/F یا Vector Control)، بازگشت به تنظیمات کارخانهای، تنظیمات رمز عبور و انتخاب نوع Application را تعریف کنید.
جدول زیر، تعدادی از مهمترین پارامترهای این گروه را نشان میدهد:
نکته حیاتی: هر زمان که پارامترهای درایو Gefran ADL100 را تغییر میدهید، حتماً باید یک بار از پارامتر 550 (SAVE) یا کلید Save روی کی پد Remote استفاده کنید. در غیر این صورت، با قطع و وصل شدن برق ورودی درایو، تمامی تغییرات اعمال شده از بین خواهند رفت و پارامترها به مقادیر قبلی باز میگردند. برای حفظ پایداری سیستمهای شما، الکترومارکت همیشه بر رعایت این نکته تأکید دارد.
پارامتر 552 نوع روش کنترلی درایو را مشخص میکند. اگر از روش V/F (فرکانس/ولتاژ) برای درایو استفاده میکنید، این پارامتر را روی 0 (SSC=0) تنظیم کنید.
- برای کنترل حلقه باز برداری (Open Loop Control Vector)، مقدار پارامتر را روی 1 (=552) تنظیم کنید.
- برای کنترل حلقه بسته برداری (Closed Loop Vector Control)، مقدار پارامتر 2 (=552) مناسب است.
پارامتر 580 برای بازگرداندن پارامترها به تنظیمات کارخانهای استفاده میشود. اگر این پارامتر را Enter کنید، تمامی پارامترهای درایو به مقادیر پیشفرض کارخانه بازخواهند گشت. این ویژگی میتواند در مواردی که تنظیمات اشتباهی اعمال شده یا نیاز به شروع مجدد دارید، بسیار مفید باشد.
ریست کارخانه (Factory Reset) درایو Gefran ADL100
برای بازگرداندن تنظیمات به حالت کارخانه:
- به منوی 4 (Drive Config) بروید.
- پارامتر 580 را انتخاب کنید.
- Enter را فشار دهید تا پارامترها ریست شوند.
- تغییرات را با پارامتر 550 (SAVE) ذخیره کنید.
هشدار: این عمل تمام تنظیمات سفارشی را پاک میکند. قبل از ریست، پارامترها را با پارامتر 590 به کیپد منتقل کنید.
منوی 5: Lift (زیرگروهها)
همانطور که پیشتر اشاره شد، منوی Lift (منوی 5) به 9 زیرگروه تقسیم شده است. در ادامه به معرفی دو زیرگروه مهم یعنی Speeds و Ramps میپردازیم:
منوی 5.1: Speeds (سرعتها)
این منو به شما امکان میدهد سرعتهای مختلف حرکت آسانسور را تنظیم کنید.
منوی 5.2: Ramps (شتابها)
این منو برای تنظیم شیبهای شتاب و کاهش سرعت (Ramps) در طول حرکت آسانسور استفاده میشود. تنظیم صحیح این پارامترها برای حرکت نرم و بدون تکان آسانسور بسیار حیاتی است.
| منو 5.2 | پارامتر | توضیحات | تنظیم گردد |
|---|---|---|---|
| 5.2.1 | 11040 | شتاب مثبت در ابتدای حرکت | 0.5 |
| 5.2.2 | 11042 | شتاب اصلی مثبت ACC | 0.6 |
| 5.2.3 | 11044 | شتاب در انتهای شتاب مثبت | 1.4 |
| 5.2.4 | 11046 | تغییر سرعت در ابتدای منحنی شتاب منفی | 1.4 |
| 5.2.5 | 11048 | شتاب اصلی منفی Dec | 0.6 |
| 5.2.6 | 11050 | شتاب در انتهای شتاب منفی | 0.5 |
| 5.2.7 | 11052 | شتاب در زمان توقف |
0.7 |
